联系我们|收藏本站|网站地图欢迎光临上海拓策电子科技有限公司网站!关键词:橡胶膨胀节
全国销售热线13524268996

上海拓策电子科技有限公司

联系我们
全国咨询热线:13524268996

地 址:上海市奉贤区四团镇平福路1036号

电 话:13524268996

网 址:www.shtckj.com

邮 箱:13775715680@139.com

当前位置:首页 >> 温度仪表系列

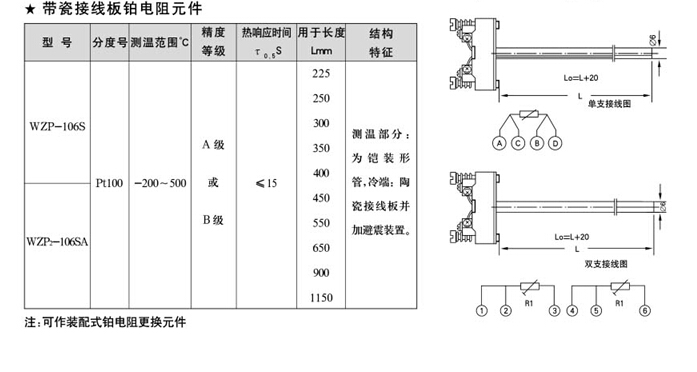
装配式热电阻

装配式热电阻

[上一个: 特殊热电阻]

[下一个: 特殊热电偶]